首页 / 案例 / 案例

高颜值超好用的适老卫生间——牙科会员俱乐部卫生间改造

  现代社会口腔健康日益重要,有一群医术高超、颜值超高的牙医,创立了一个人气超高的牙科诊所,来看过牙的患者不仅自己都成了粉丝,还带来了父母孩子家人朋友。为牙科会员俱乐部改造卫生间,成为一个适老化样本,安全实用,舒适美观,推广家庭健康解决方案。

​现代社会,口腔健康日益重要,有一群医术高超、颜值超高的牙医,创立了一个人气超高的牙科诊所,来看过牙的患者不仅自己都成了粉丝,还带来了父母孩子家人朋友……为牙科会员俱乐部改造卫生间,成为一个适老化样本,安全实用,舒适美观,推广家庭健康解决方案。

史亮口腔医生团队·艾斯维健康理念

•史亮博士从医从军20余年,在健康中国国家战略指引下,借鉴国际先进的口腔健康模式和服务首长口腔健康系统的精华,利用先进的物联网技术及大健康智慧,将客户家庭,医生团队,场地服务,日常维护有效地结合起来,创立了“艾斯维健康”家庭会员制口腔健康康复体系,已为上万家庭口腔健康提供感动服务。


•史亮口腔医生团队理念:共享、平和、专注、重诺、知止。


•艾斯维健康理念:缘起于口腔医生团队,借物联互联网之势,专注为会员家庭提供有温度的,综合的,全生命周期的口腔健康服务。


一个刚装修一年的卫生间为什么要砸掉重做?

•盥洗区镜柜没有镜前灯,照明不佳; 

•暖气位置突出墙面太多,造成碰头危险;

•没有用电插座,用不了吹风机刮胡器; 

•水龙头过小,不方便使用。

•花洒位置不佳,使用不便; 

•淋浴区有用电插座,无法洗浴; 

•洗衣机龙头设置位置欠妥,无法使用; 

•地面两个地漏,找坡混乱,地面排水无法组织; 

•干手器位置不当,无法使用; 

•墙面被各种占用,除插座龙头还有检修口电箱,无法安装扶手,洗澡非常不安全。

•马桶位置太过靠墙,而且侧面和背面都是非承重墙,无法安装相应的保护助力扶手,而马桶的起做安全保护是卫浴适老改造的关键点。 

•储纳空间规划不足,毛巾等常用品没有合适的位置放,导致使用不便。 

•没有紧急呼救报警设备,出现困难不能及时求救。 

•厕纸架突出墙面过多,容易造成磕碰。

卫生间门口外侧两个改不了的遗憾:

•卫生间人口前面是鹅卵石铺地,鹅卵石都是浮搁着的,踩上去非常危险。适老无障碍的居住环境标准要求地面不能有障碍物及高差存在。 

•卫生间人口门的净宽只有70厘米,老年人通过性不好,通常门洞口净宽适老标准应大于80厘米,方便有人辅助、使用助行器或轮椅通行。

•老式浴霸光线过强,容易伤眼睛;不开浴霸的话采暖又解决不了,而且照明不足,两难情况,不建议使用。

•没有考虑干区湿区合理规划; 

•地面找坡混乱,排水组织不佳; 

•如厕区和淋浴区都没有紧急报警设备。


我国每年2500万人次老年人跌倒

•2002年世界卫生组织报告,全球有39.1万人死于跌倒。 

•根据2008年美国疾控中心的数据显示每18秒就有一个老年人因为跌倒而进入急救室。 

•在发达国家,65岁以上的老年人每年有28%~35%发生过跌倒。这个数字随年龄的增长逐步上升。 

•据推算,我国60岁以上的老年人每年因跌倒发生的伤害人数达到2500万,直接医疗费用超过50亿人民币,社会相关损失在160-240亿人民币。

居家养老带来对居家环境安全的需求

1

跌倒是我国老年人伤害死亡的首位原因

老年人生命体征肢体、视觉、听觉、记忆力的衰退变化,带来容易跌倒、忘事等危险问题。国家统计数据表明:跌倒是我国65岁以上老年人伤害死亡的首位原因。

2

老人在家遇险无法报警求救而酿成悲剧

独居老人逐渐增多,全国第六次人口普查数据显示,2010年,独老、老年夫妻独自居住的比例已趋近总体一半,已经成为社会问题。

3

中国有需要改造的老旧社区占半数以上

中国有大量需要改造的老旧社区。内部的电路老化严重、门窗及墙面缺少保温措施、洗手间与起居室的地面存在高度差、照明设备不完善、几乎没有防跌倒设施、缺乏紧急呼叫系统等适老设施等。


什么是老年宜居环境?

通过研究老年人身体机能的变化,从老年人的特点和生活习惯出发,根据实际功能需求,做出具有针对性的居家环境设计,让老人安享有尊严的晚年,健康自由快乐的生活。

安全—健康—易用

舒适—美观—智能

父母安全,子女安心!艾斯维会员都是30-50岁高净值人群,对健康生活有较高要求,父母基本在60-80岁,逐渐有衰老的趋势,子女愿意为父母尽孝,打造健康宜居生活环境,希望父母在家中养老更安全、更舒适,享受高品质生活。这和易享生活的价值观和理念是高度一致的,也正是易享生活正在努力践行的。

给您一个安全又美好的家!
—— 精细  安全  舒适  智能  有爱   ——

精细化

体现在精细化设计施工,过程直播,精选品牌材料,细节见专业

安全性

体现在高于行业环保标准,全面安全呵护,做您生活的健康卫士

舒适度

体现在全面考虑人体工学,处处方便好用,一站服务,全程无忧

智能型

体现在将科技产品用于家居环境,智能控制,让生活更轻松愉快

我们致力于为老人、父母和孩子设计三代人其乐融融的全龄化健康宜居家庭环境。

易享生活

北京易享生活健康科技有限公司以营造健康快乐“社区家”为使命,在行业中率先开拓了居家适老装修业务,是北京市适老化改造指定服务商。三年多来,易享生活牢牢抓住C端客户——老人家庭的需求,科普咨询覆盖上万人,深入调研咨询评估上万户老人家庭,完成超过3000户适老化改造任务。


易享生活通过不断实践积累了丰富的经验和大量案例,建立了居家适老化设计和装修的企业标准和人才培养体系,成功完成包括街道合作、物业合作、个人家庭合作的多个创新性样板间建设及运营模式,努力探索老年人和他们的家庭最需要的持续性服务,正在成为社区居家养老与健康服务综合运营商。


十大举措为会员打造一个适老化卫生间样本

为缓解老人因生理机能变化导致的上厕所、洗澡不方便,对卫浴空间在短时间内进行的集成改造。在狭小空间里高度集成了三十多个适老细节,全面呵护老人,为如厕洗浴提供安全舒适的全新保障。 

①安全保护 

②防跌防撞 

③紧急报警 

④干湿分离 

⑤坐下洗澡 

⑥智能洗浴 

⑦改善水电 

⑧改善照明 

⑨改善收纳 

⑩改善暖气

卫浴小空间,适老大集成

“卫浴整改”内容包括:原有卫生间整体拆除,水电线路改造,点位重新设计合理布局,防水处理24小时闭水试验,重做墙地顶,优质环保品牌瓷砖、吊顶、LED风暖三合一、品牌洁具、抽拉水龙头、带型地漏、L型浴杆浴帘等优质五金配件,配套浴室柜、镜柜、转角置物篮、毛巾浴巾架等收纳家具配件,配备助浴椅、安全助力扶手等老年辅具,配备紧急呼叫报警器、自动感应小夜灯等智能产品。

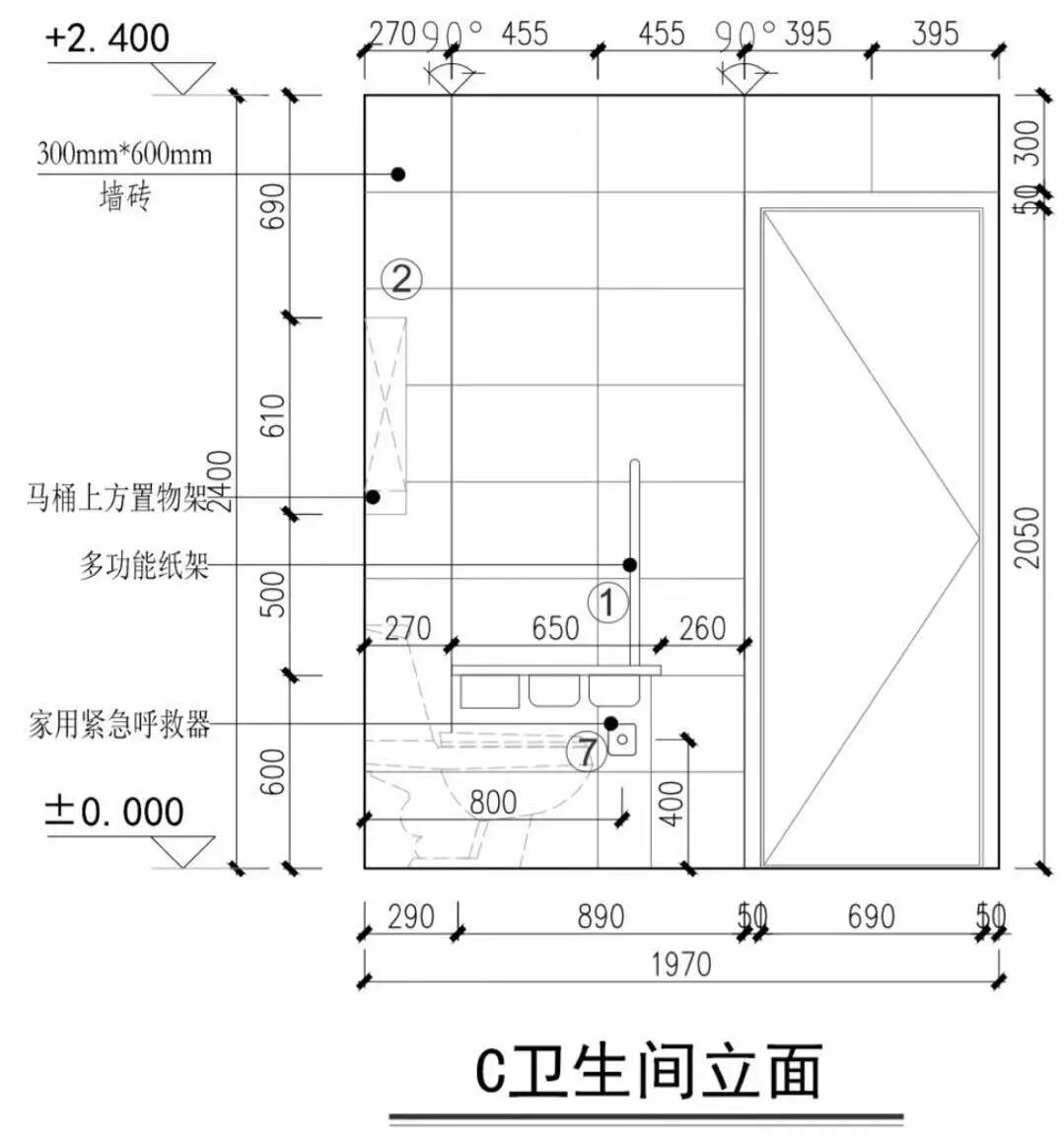
平面布局和设施设备

1.组合扶手架

2.双层浴巾架

3.L型扶手

4.壁挂浴椅

5.L型浴帘浴杆

6.带型地漏

7.助浴椅

8.薄型壁挂暖气

9.U型折叠扶手

10.智能马桶

11.浴室柜洗手盆镜柜


为长辈,易享生活就在您家门口!
易享生活为老人家庭提供:适老化设计,精细化施工,品牌化产品,个性化服务



什么是适老?让细节来告诉您

预防跌倒,安全洗浴

•非承重墙安装扶手预埋件加固;

•多种样式扶手可选,根据老人、空间、功能而定;

•易享生活扶手安装质量控制标准规范。

带型地漏,有效隔水

浴帘浴杆+带型地漏,干湿分离效果好,保证安全。

折叠浴椅,坐下洗澡

专业浴椅,安全可靠,,高度可调,扶手助力,质感亲肤舒适,防滑防倾倒。

起坐助力,方便换衣

可折叠挂墙浴凳,保证承载,坚固可靠,不占空间,固定在干区,洗浴前后可坐下换衣,避免带水作业。

如厕助力,紧急报警,组合置物

组合扶手架,可抓扶支撑,辅助老年人如厕起坐,隔板可置物,语音紧急报警器,发生危险及时呼救。

抽拉龙头,方便盥洗

两灯原则,改善照明

LED风暖三合一+镜前灯,保证光线均匀明亮,互相补充,夜间自动感应小夜灯增加局部照明。

优化点位,改善水电

•卫生间水电标准走顶,垂直走线;

•伟星水管,第三方打压认证,保证质量;

•24小时闭水试验验收;

•防溅保护;

•降低开关高度方便老年人使用。

多重置物,改善收纳

浴巾毛巾、洗浴用品、盥洗用品、清洁用品等均可分类收纳,各得其所。

巧妙利用,改善暖气

更换薄型暖气,调整暖气位置,美观大方,兼用挂毛巾。




洗手间文化带来的生活方式



你听说过日本有厕所节吗?这里有暖心的呵护。

你知道巴黎博物馆的洗手间其实是艺术的殿堂吗?
那里所传递的生活美学就是我们的本真生活。


在洗手间,你可以闻香、听雨,悦耳、静思……

一个微小的洗手间,

能看出一个家庭的幸福指数;

也代表着一个国家的文明程度。


洗手间智能收纳产品需求:

呼叫系统、灯光系统

辅具系统、康疗系统

音响系统、收纳空间

摆件花艺、静修之地


你想过吗?

你同意吗?




开启健康生活方式,

易享生活为您服务,

会员俱乐部恭候您的光临!




易享生活回馈新老客户



老旧卫生间适老化改造,最大力度优惠

安心套餐,23800元(3平米起)
尊享套餐,28800元(3平米起)



易享样板间

参观邀请



各位朋友大家好!易享生活安排样板间参观活动,能够更详细了解适老化改造的相关情况。欢迎各位预约参观!

预约联系电话:钟磊18811180701


案例 2019-11-12日更新 4902次浏览